Modifikationen an der Lima SDR TX-Platine:
Hier folgt eine Liste von Änderungen, die wir an der TX-Platine vorgenommen haben um sie zum Ausbau für einen vollwertigen SDR Transceiver auf Basis der U02 Zusatzplatinen vorzubereiten:
1. Modulatorendstufe
Der Modulator wird über 4 Gegentaktendstufen bestehend aus BC556B und BC566B angesteuert.
Bei meinem Gerät hat der Basisstrom nicht ausgereicht, sodass der BC556B nicht durchsteuern konnte. Als Ergebnis kam nur ein schwaches, stark verzerrtes Signal aus dem Mischer heraus.Ich habe versuchsweise den BC556B gegen einen BC557C ausgetauscht und den BC546B gegen einen BC547C. Danach lief diese Schaltung einwandfrei. Die C Typen haben selbst wenn sie schlechte Qualität sind die doppelte Verstärkung wie die B Typen.
2. 1W-PA
die 1W-PA wird nicht bestückt. Falls sie bereits bestückt war, so entfernt man die vier BS170 Fets, die beiden Doppellochkerne (kann man in der 10W PA weiterbenutzen) und das Relais (spart Strom). Weiters entfernt man die Widerständer R22, R29 und den Transistor T1, womit man den Mischerausgang "freigelegt" hat und hier das Mischer Ausgangssignal abnehmen kann. Über ein Koaxkabel wird es mit dem TX Eingang des U02-Preselektors verbunden.
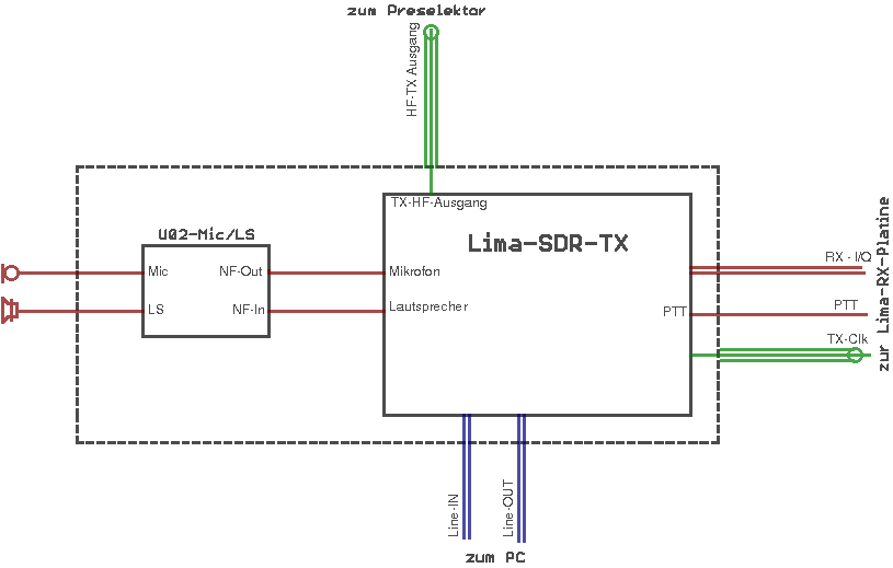
3. TX-Clock
Wenn man die Lima-RX und TX Platine zusammengesteckt läßt, so ist dieses Signal bereits verbunden und man hat weiter nichts zu tun.
Will man sie jedoch in getrennte Weißblechgehäuse einbauen, so muss die TX-Clk Leitung über Koaxkabel mit der RX-Platine verbunden werden. Am besten greift man das Signal an der 11-pol Stiftleiste JP2 mit einem Koaxkabel (z.B RG-316) ab.
4. PTT
Ebenfalls an der Stiftleiste JP2 greift man die PTT Leitung ab und verbindet diese mit der RX-Platine. Eine Schirmung ist hier nicht erforderlich. Das Poti R12 "PTT Delay" darf nicht am Anschlag stehen, eine sehr kleine Verzögerung ist erforderlich damit die PTT Leitung genügend Pegel führen kann.
5. Signale von den Klinkenbuchsen
am besten entfernt man die Klinkenbuchsen, da diese keine gute Kontaktgabe haben.
Für alle I/Q Leitungen benutzt man geschirmtes Stereo-NF-Kabel. Für die Mikrofonleitung geschirmtes Mono-NF-Kabel.
a) "X7: zum Board 1". RX-IQ : Diese Leitung wird mit dem RX Ausgang des Lima-RX Boards verbunden. Vom RX Board kommt hier das I/Q Empfangssignal, es wird am TX-Board über Relais geführt und dann über Line-IN zur Soundkarte geführt.
b) "X3: Soundkartenausgang": I/Q-Signal: von hier gehts mit Stereokabel zum Soundkarteneingang Line-IN
c) "X5: Soundkarteneingang": I/Q-Signal: von hier gehts mit Stereokabel zum Soundkartenausgang Line-OUT
d) "X4: Kopfhörer": von hier gehts zum Lautsprecherverstärker "NF-in". Es ist egal ob vom Pin für rechten oder linken Stereokanal.
e) "X6: Mikrofon": vom Mikrofonverstärkerausgang NF-out geht es an diesen Anschluss. Es ist egal ob an den Pin für rechten oder linken Stereokanal, da diese intern sowieso verbunden sind.
f) "X8" wird nicht benutzt.
das kleine Board mit dem Mic/LS Verstärker kann direkt auf die TX Platine gelegt werden (isolieren mit z.B. Schrumpfschlauch o.ä.), dort ist Platz genug. Die gestrichelte Linie in der folgenden Zeichnung zeigt das Weißblechgehäuse.
